過去の開催履歴
第17回 (2025年)
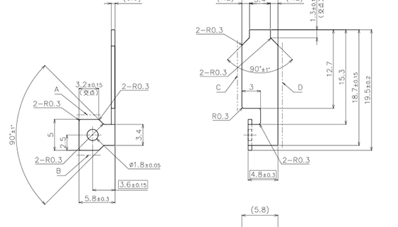
プレス用金型部門
審査結果
課題【リレー部品】
金賞岐阜大学
銀賞岩手大学
大阪工業大学
GOOD製品寸法精度賞岩手大学
GOOD成形品賞岐阜大学
GOOD型構造賞大阪工業大学
第17回
学生金型グランプリ開催概要
| 開催日時 | 2025年4月16日(水)~18日(金) |
|---|---|
| 開催場所 | インターモールド2025内特設会場(東京ビッグサイト) |
| 出題テーマ |
プラスチック用金型部門課題:小型けん玉 プレス用金型部門課題:リレー部品 |
| 参加校 |
プラスチック用金型部門: プレス用金型部門: |
| 審査協力 | 株式会社ミツトヨ |
| 出題協力 | 大垣精工株式会社 |
| 主 催 | 一般社団法人日本金型工業会 |

